翔鹰控制设备(深圳)有限公司

FLYING EAGLE PROCESS CONTROLS (SHENZHEN) LTD.

FIKE防爆系统
FIKE爆破片
FARRIS安全阀
首页
公司介绍
联系我们
Neo-Dyn压力开关
Conoflow调节器
Fairchild压力调节器
GM SISTEMI火花探测器
RICO VENTEX®防爆隔离阀
AIRCOM止回阀
    • 1.1.1火花探测器 SC243T

       

      GMSC243T用于抽吸系统和粉尘气动输送的火花探测器

      GMSC243T 是一款用于吸尘系统的火花探测器。

      火花是在管道中传输的加工(机床等)产生的非常热或白炽的小物体,这些火花在频率范围内发射辐射,主要是红外线。

      该探测器是一种光学式传感器,即使在超过 30mt/s 的高速下,也可以检测传输过程中小颗粒(火花)发出的辐射。

      该传感器速度极快,其响应时间为几毫秒,这允许在火花到达过滤系统或筒仓之前,在极短的空间内激活灭火系统,从而避免火灾或爆炸。

      火花探测器适用于安装了抽吸系统的所有工作环境,例如:木材、纺织品、机械、纸张、谷物等。

       

       

      技术特点

      - 电源电压:20 ÷ 30 Vdc

      - 电源电流:10 ÷ 20 mA(测试 80 mA)

      - 光谱响应:1 ÷ 3 nm

      - 视角:90°

      - 温度:-20 +6 ° C

      - 报警延迟:4 秒

      - 外壳:铝

      - 防护等级:IP 65 (-EX)

      - 尺寸:123X78X68 毫米

      - 安装:带支架 GMSUP2-EX

      数据表 

      安装示例:

      1.1.2火焰探测器 GMFD005

       

      环境用火焰探测器(平衡线上的火焰传感器)

      火焰探测器 GMFD005 是一种能够测量从任何类型的火焰发出的红外辐射强度的电子设备。 特殊的滤光片可让您将阳光、荧光灯和环境光等光源的影响降至最低。

      该电路允许检测器仅在火焰的典型频率上调整,该频率在 3 到 30Hz 之间自然“脉冲”

      该探测系统的主要特点是:响应时间快,即使在浓烟存在的情况下也能检测到火焰的能力,在其工作波长范围内对红外光是透明的 然后,受控环境的热照片由管理可调节 OC 输出(集电极开路)的电路处理,并可以插入板上提供的线路平衡,以将传感器连接到具有受控或吸收控制输入的控制中心. 探测器配有远程诊断系统。

       

       

      安装示例:

      1.1.3 ATEX管道支架GMSUP2-EX

       


       

       

       

       

       

      1.1.4 铰接式墙壁支架 GMSUP-F-IX

    • 1.2 热测速探头 GMSTV001D

       

      热测速探头(尤其是GMSTV001D)显示:实际上,在火灾热控制系统中,使用热测速原理,与传统的恒温探头相比,您可以提前收到警报。

      探头GMSTV001D由微处理器控制,该处理器执行复杂的数学计算并测量一段时间内的温度升高(例如5°C/5秒),激活输出以实现设定的梯度。

      探头还配有串行输出,用于将数据(°C)发送到控制单元。

      探头还实现了具有独立恒温功能的第二个输出,具有阈值(例如80°C)。

      可编程特性:

      阈值(上升)热测速:5°C/5秒(60°C/min)或 2.5°C /秒(30°C /分钟)

      阈值(静态)恒温:80°C时

      技术特点:

      - 电源:24 VDC – 功耗:6,5mA

      - 测量触针:钢厚度 1mm,直径Ø 8 x 150mm

      - 测量范围:-40 +150° 触针 (+/- 1°C)

      - 固定:螺纹外螺纹接头 ½”

      - 保护:IP 65 ATEX zone 22 D COD。 (GMSTV001D-EX)

      安装示例:

    • 1.3.1控制模块 GM826SD

       

      GM826SD是一款火灾探测系统的控制模块,专门设计用于火花探测系统的管理。

      该模块完全由微处理器控制,可以管理分布 2 条管道的6/8个独立的火花探测器,能够独立控制任何电磁阀,并配有专用的可设置定时器。

      为了管理多个管道,您可以使用多个模块GM826SD制作具有多个输入和输出的单元。

      对于其硬件和软件设计,以EN54(-2和-4)中规定的标准为指导,该模块执行:

           - 控制输入线路的连接

           - 电源控制(网络和电池)

           - 2个访问用户和技术人员的密码

           - 用户和技术2 个选项菜单

           - 独立一般故障的输出

           - 独立模式的查看器

           - 带有日期和时间的事件存储

      也可以连接到市场上大部分火灾探测器、烟雾探测器、烟雾束、火焰探测器等,可以控制警报器、光学和声音警告、电磁阀、百叶窗、防火门、电话拨号器等。

      新软件版本2.3

      功能:自动测试、输出扩展

       

      “自动测试”

      特别是对于火花探测器,您可以将传感器测试自动启动设置为所需的时间,在一个或多个传感器无响应的情况下,获得需要进行维护的传感器数量指示。自检也可通过吸盘控制面板提供的外部触点激活,以便在系统每次启动时激活它。

       

      “输出扩展”

      该软件版本包括激活RS485串行端口,用于与远程模块GM通信。特别是可以连接到 GMCR485/8U模块,该模块带有8个继电器,可为每条线路重复报警。

      一般特征

      描述:微处理器控制模块

      输入:8行

      N° 传感器:每行 5 个

      平衡线:具有 4700 欧姆电阻

      可视化:液晶显示

      2 行 16 个字符

      1 个绿色 LED 用于电源

      1个黄色LED表示故障

      按键:14 键

      内存:60 个事件,带日期和时间

      声音信号:内部蜂鸣器

      输出:4 个集电极开路,2 个继电器

      电源:90 ÷ 264 Vac 47 ÷ 440HZ

      GMAL15SWM 输出:24Vdc 1,5 A

      GMAL3SWM 输出:24Vdc 2.7 A

      功耗:来自网络的最大值:250 mA

      工作温度:-5 / +45°C

      电池:最大 N.2 X 12V / 2.1AH

      外壳 GMCT2MS:IP54(410 X410X150 毫米)

      安装示例:

      1.3.2 散热模块 GMETMLCD

       

      由GMETMLCD模块和GMST101探头组成的温度测量系统设计用于环境中的温度测量(从0到90°C)。它适用于火灾探测系统,在这些系统中并不总是能够安装烟雾探测器、火焰探测器等;它不适用于测量食品储存环境或类似环境中的温度。GMETMLCD模块可以安装在GMCT1M、GMCT2M和GMCT6M外壳中,并且必须与具有24V DC 0.5A输出的电源相结合使用(最好与GM ELECTRONICS电源结合使用,以实现网络存在控制和电池充电保险丝控制的功能)。

       

      技术数据:

      - 型号:GMETMLCD 模块

      - 描述:环境温度测量仪

      - 电源:24VDC

      - 输出(GMETMLCD 模块):

            N°2在所需温度下的可编程输出;继电器自由交换0.5A至30Vdc。

            N°1一般故障 集电极开路NO至负0.5A至30 Vdc

      - 485 BUS LINE(见软件版本)

      - 尺寸:GMETMLCD 模块 125 x 125 x 55

      - 型号:GMST101 模块

      - 电源:24VDC

      - 消耗:6.5mA

      - 温度:0/90 ° C

      - 探头防护等级:IP55 或 ATEX IP65

      安装示例:

    • 1.4.1 扇形/锥形喷嘴 GMUGS34 / 120

       

       

      技术特点:

      喷嘴GMUGS120

      -材料:黄铜

      -尺寸:50X50X60 mm

      -空心锥形射流,开口约120°

      -内螺纹3/4”

      -流速约为0.4升/秒(压力为4bar)

      -最小2-3bar(建议4bar)

      -安装在管道中心

      -喷水嘴

      技术特点:

      喷嘴GMUGS34

      -材料:黄铜

      -尺寸:35x18毫米

      -平面射流开口约120°

      -外螺纹3/4”

      -容量约为0.4升/秒(压力为4bar)

      -最小压力2-3bar(建议4bar)

      安装示例:

      1.4.2带闸门的喷嘴 GMUGS-CVO

       

      特殊灭火喷嘴:带闸门的空心锥形

      用水灭火的特殊喷嘴。适用于具有高浓度灰尘的管道(例如传输过滤器/筒仓)。

      喷孔由一个闸门保护,该闸门随着水压的推动而打开。

      技术特点

      - 黄铜制成

      - 外螺纹 ¾"

      - 弹簧闸门

      - 喷射角度 120°

      - 流量约 60L/min(压力 4 bar)

      - 供水

      安装示例:

    • 2.1粉尘检测探头

       

      用于测量吸入和空气处理系统上灰尘浓度的探头

      摩擦电探头 GMTRB 是一种基于微处理器的仪器,经过预校准,配有两个数字输出光隔离开路集电极类型、一个用于配置和/或下载数据的 RS485 串行接口以及一组用于合成显示操作模式的 LED . 该探头设计用于检测和测量由袋式过滤器破裂引起的粉尘排放。

      技术特点

      - 电极长度:250mm

      - 外壳尺寸:80 x 75 x 58

      - 触针材质:inox 钢 Ø 8mm

      - 灵敏度:0.1 mg / mc

      - 电源:20/30 Vdc

      - 输出:2 个可编程开路集电极

      - 接口:1 个串行(RS485)

      - 防护:ATEX II 3D EEx IP65 T85°C

      工作原理

      摩擦电探针利用电荷转移的原理,通过浸入气态流体中的灰尘将电荷转移到连接到特定电子电路的电极上,该电子电路能够放大微弱的信号。 电极上感应的电荷量与气态流体中存在的灰尘量成正比。 灰尘浓度的增加会导致到达微处理器的信号成比例增加。 应用复杂的数学算法,对单个灰尘颗粒进行计数,以便能够计算出它们的浓度,单位为毫克/立方米。 计算值可以在内部存储以供将来起草,或通过 RS485 串行传输发送到外部控制单元以进行进一步分析和/或查看。

      安装示例:

    • 2.2.1压力表 GMPID001-D-01

       

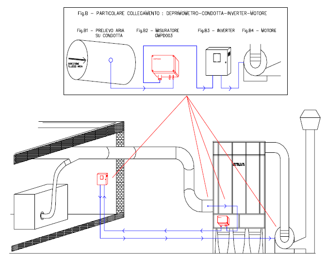
      GMPID001-D 是一种 PID 调节器(比例-积分-微分),具有图形显示和差压输入(deprimometer)。
      用于抽吸设备的逆变器直接驱动的 PID 调节器。
      比例变送器,电流和/或电压,具有可调刻度,差压输入值。
      2 号继电器输出,带有报警堵塞过滤器的单独阈值。
      串行通信端口,可连接到以太网网络(可选)。
      一般特征:
      -比例变送器功能
      -标准PID调整功能(自动/手动模式)
      - PID 设定点可编程
      - 反向调整逻辑的功能
      - 2 个带可编程装置的继电器
      - 1 个模拟输出:主动/被动 4-20mA
      - 1 个模拟输出 0-10V
      - 1 个串行端口 RS485(以太网、wifi、蓝牙、可选)
      - 1 个输出 24Vdc 辅助电源
      - 使用密码访问菜单参数
      - 不可重置计数器

      安装示例:

      2.2.2流量开关GMFS001-EX

       

      GMFS001 流量开关是一种电子设备,配备两个独立的可编程阈值并配备滞后和延迟功能,当超过 m3/h 或 m3 /s 的两个不同流量值时,能够激活两个继电器。
      工作原理:
      基于测量安装在管道中的两根不锈钢管之间的压差。面向气流方向的小管受到与流体速度相关的动压的影响,而垂直于气流的小管受静压影响,提供参考压力值。内部电子电路处理信号并通过一对微型开关对流量阈值进行编程。该设备还包含一个 4-20 mA 发电机,能够提供可由 GM SISTEMI 控制单元管理的模拟信号。该系统完全兼容GM SISTEMI全线设备,构成自然扩展。 GMFS001 的主要特点包括:非常快的响应时间、无移动机械部件、减少维护、易于安装和编程以及出色的热稳定性,通过激光微调和使用最新一代组件获得。内部安装了可更换的过滤器,以防止灰尘进入。

      安装示例:

      2.2.3压力开关GMPD003-EX

       

      GMPD003 是一种差压开关,其特点是电流输出与输入中存在的压力(或真空)值成正比,并在工厂预设,以便在 0 mmH2O 时提供 4 mA ,在 1000 mmH2O 时提供 20 mA。测量这些变化的传感器经过温度补偿和激光微调,以确保出色的稳定性。
      该仪器还配备了两个 DIP 开关,用于校准两个独立的阈值,提供滞后和延迟,以及继电器输出。可调阈值已经设置为毫米水柱,以便于配置。
      该仪器的一个特殊应用是通过测量(气动采样)主管上的真空来控制除尘系统中变频器驱动的真空吸尘器的速度,以保持根据采样(打开或关闭通风口或风门)吸入的空气量恒定。

      另一个应用,总是在除尘领域,包括检测过滤组(变电站)的内部压力,以监测过滤元件(袋子)的正确功能。

      安装示例:

      2.2.4 压力表GMPD420-50

       

      GMPD420-50是一种差压表,其特点是电流输出与输入中存在的压力(或降压)值成比例,并在工厂预设,以在0 mmH2O下提供4 mA,在500 mm H2O(0-50mbar)下提供20 mA。
      因此,该仪器仅适用于 2 线连接。
      由于始终存在等于 4mA 的最小信号(如 4-20mA 标准所要求的那样),这种类型的连接还可以检测任何操作异常和/或线路故障。
      测量这些变化的传感器经过温度补偿和激光微调,以确保出色的稳定性。
      GMPD420-50(通过4-20mA输出)可以与其他系统串联连接:PLC、显示器、逆变器等。
      配备微调器,用于“零”(4mA)和“增益”(20mA)调整。
      结构极其紧凑,占地面积最小(65x50x35mm)。
      可根据要求提供不同的满量程。

      安装示例:

    • 技术特点

      -输入:1个串行端口Rs485

      2模拟电压4-20mA或0-1 OV

      刻度:可设置单位为mg/me

      数据:数字或图形显示

      采样:可调,最小1秒。

      存储:记录能力

      输出:2继电器(可调阈值)

      2模拟电压4-20mA或0-1 OV

      电源:24Vdc-110/230 Vca

      尺寸:123X78×68mm

      修复:支持 GMAPSUP2-EX

       

       

      2.3 数据显示控制器GMVDUST

       

      GM-VDUST01模块是微处理器控制的控制器数据显示器,具有模拟输入、串行数据输入、模拟和继电器输出。
      参数和数据显示在128x64点的图形显示器上,背光,可以选择不同尺寸的数字模式或者点图(取决于软件版本)。
      该设备还具有非易失性存储器(E2p),用于在无电源的情况下保存和维护编程参数和任何保存的数据。
      超过60个机器参数(取决于软件版本)完全可编程,可以输入带有十进制值的各种梯形图(例如,-999 到 +999)。
      对编程菜单参数的访问由 3 位密码保护。
       VDUST01版本特别设计用于管理我们的GMTRB001型粉尘排放检测探头(摩擦电型)的数据,您可以在模块显示器上以数字形式或图形形式查看mg I mc格式(或pA或V,与电势相关)的实时数据,还具有1个或多个可编程阈值(取决于软件版本),以激活输出(预报警、报警等)。
      该模块配备有串行通信端口(RS485),用于与远程设备(例如传感器、打印机、电脑等.)进行通信。.

      仪器在72x72mm的容器面板中执行,带有IP54正面保护。

GM Sistemi:以质量求安全

 

GM SISTEMI 是一家不断发展的公司,在设计和建造用于防火系统和工业测量系统的电子设备方面拥有丰富的经验。

正如其始于 1992 年的工业历史所证明的那样,GM SISTEMI 始终关注市场需求并以持续不断的方式贴近客户,以保证更新、可靠性、安全性和质量,这要归功于不断的投资和对搜索的承诺用于尖端解决方案。

整个设计周期的自主性、内部生产和持续研究是使公司在质量和客户满意度方面具有灵活性和高性能的三个主要因素。

GM SISTEMI 现在正在欧洲、美国、墨西哥、土耳其等综合市场以及加拿大和中国等新市场不断扩张。

GM SISTEMI 以其历史悠久的 GM ELECTRONICS 品牌开发和制造产品,该品牌最近加入了新的 MALCRON SERIES 品牌,新一代产品也在设计方面进行了研究。

内部创新、设计和建造

 

从软件和硬件设计到实施的生产周期

GM SISTEMI 实验室使我们能够在内部管理产品生命周期的所有阶段:技术研发、设计、原型制作、组装、测试和设备质量测试。

GM SISTEMI 团队分析了新的市场需求,以通过新产品找到解决方案,并负责软件、硬件、机械和设计设计。 在火花检测系统中,我们现已推出第四代传感器,能够在比以前的系统更低的温度下以非常高的速度检测粒子方面提供出色的性能。

满足市场需求

 

在制造和组装系统中保持灵活性

对于其设备的生产,GM SISTEMI 使用内部自动化装配系统。

公司实验室中创新技术的可用性,例如 SMD(表面贴装设备),是利用内部生产资源实时响应市场需求的条件。

内部创建的软件管理每个产品的供应链:从订单到生产,再到控制再到发货。

品质研发

 

GM SISTEMI,第一家获得火花探测和灭火系统“FM Approved”认证的意大利公司。

创新和注重质量是公司理念,我们的产品遵循 CE、ATEX 等监管标准以及市场上的一些重要产品认证。

首页
公司介绍
联系我们
首页
公司介绍
联系我们
首页
公司介绍
联系我们
首页
公司介绍
联系我们
首页
公司介绍
联系我们
首页
公司介绍
联系我们
首页
公司介绍
联系我们
首页
公司介绍
联系我们
首页
公司介绍
联系我们